產品中心
PRODUCT CENTER
聯系我們
Contact us
鞏義市新華豐管道設備有限公司
固 話:0371-64033589
手 機:18638168566 13783416000
13683712868 13838577194
聯系人:王先生,魏女士
Q Q:1622356298
旺 旺:gyhuafeng
微 信:wei13683712868
網 址:http://www.169kongjian.cn/
地 址:河南省鞏義市西村開發區永安路南段211號
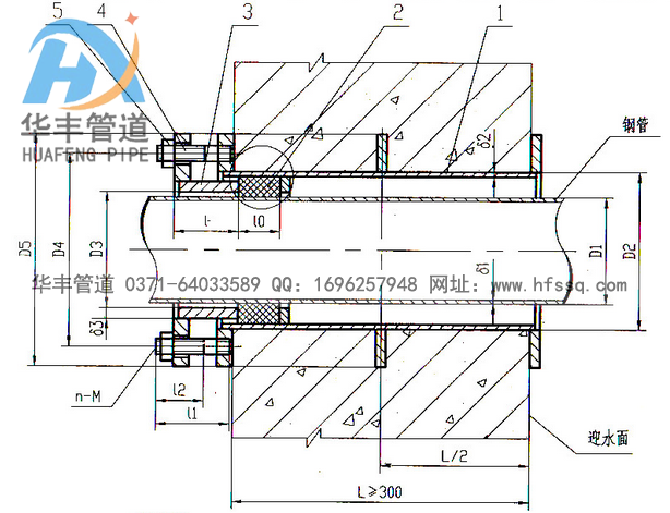
華豐介紹雙密封柔性防水套管的安裝技術說明及施工圖紙應用
雙密封柔性防水套管一般適用于管道穿過墻壁之處受有振動或有嚴密防水要求的構筑物,用于減震需要的管路。柔性防水套管主要用在人防墻,水池等要求很高的地方。安裝完畢后允許變形。柔性防水套管除了外部翼環,內部還有擋圈,法蘭內絲。剛性防水套管是鋼管外加翼環(鋼板做的環形套在鋼管上)裝于墻內(多為混凝土墻)。
雙密閉柔性防水套管的詳細圖紙說明
雙密封柔性防水套管說明:
1、柔性填料材料:瀝青麻絲、聚苯乙稀板、聚氯乙稀泡沫塑料板。
2、密封膏、聚硫密封膏、聚氨脂密封膏。
3、套管穿墻處如遇非混凝土墻時,應局部改用混凝土墻壁,其澆注范圍應比翼環直徑大200mm,而且必須將套管一次澆固于墻內。
4、穿管處混凝土墻厚小于300,否則應使墻壁一邊加厚或兩邊加厚。加厚部分的直徑至少比翼環直徑大200mm.
5、套管的重量L=300計算,如墻厚大于300時,應另行計算。
6、柔性防水套管可根據用戶需要制作S312或者S404標準,訂貨時請注明管外徑及適用墻厚。(本文章來自百度百科百度文庫等摘要)
鞏義新華豐管道設備有限公司是從事開發,生產給排水材料的廠家。以質量求生存,以信譽某發展,誠實守信。經過十多年的發展,華豐對產品不斷地總結和積累經驗,不斷地發現問題解決問題,也得到了越來越多新老顧客的支持和合作。歡迎進入鞏義市新華豐管道設備有限公司官網:http://www.169kongjian.cn/ 聯系電話:0371-64033589 聯系人:位經理18638168566 王經理13783416000










