鍙屽瘑灝佹煍鎬ч槻姘村綆?/h3>
鍚嶇О錛?strong>鍙屽瘑灝佹煍鎬ч槻姘村綆?/strong>
鏍囩錛?/strong>瀵嗗皝 鏌旀?/a> 闃叉按 濂楃
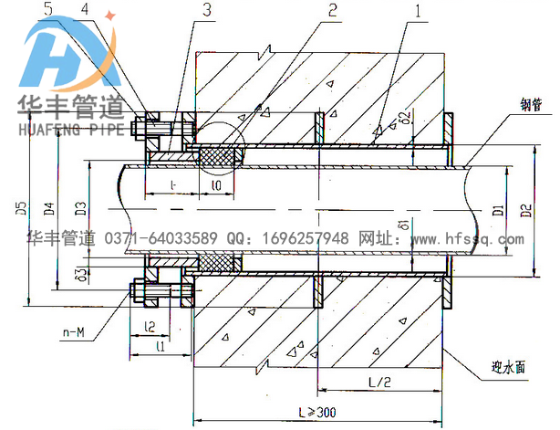
銆銆鍙屽瘑灝佹煍鎬ч槻姘村綆′竴鑸傜敤浜庣閬撶┛榪囧澹佷箣澶勫彈鏈夋尟鍔ㄦ垨鏈変弗瀵嗛槻姘磋姹傜殑鏋勭瓚鐗?鐢ㄤ簬鍑忛渿闇瑕佺殑綆¤礬銆傛煍鎬ч槻姘村綆′富瑕佺敤鍦ㄤ漢闃插錛屾按姹犵瓑瑕佹眰寰堥珮鐨勫湴鏂廣傚畨瑁呭畬姣曞悗鍏佽鍙樺艦銆傛煍鎬ч槻姘村綆¢櫎浜嗗閮ㄧ考鐜紝鍐呴儴榪樻湁鎸″湀錛屾硶鍏板唴涓濄傚垰鎬ч槻姘村綆℃槸閽㈢澶栧姞緲肩幆(閽㈡澘鍋氱殑鐜艦濂楀湪閽㈢涓?瑁呬簬澧欏唴錛堝涓烘販鍑濆湡澧欙級銆?/p>
鍏ㄥ浗鍜ㄨ鐢佃瘽錛?em>13683712868銆閭錛?em>1696257948@qq.com
鑾峰彇浼樻儬鎶ヤ環
鍦ㄧ嚎鍜ㄨ璁懼
鍚嶇О錛?strong>鍙屽瘑灝佹煍鎬ч槻姘村綆?/strong>
銆銆鍙屽瘑灝佹煍鎬ч槻姘村綆′竴鑸傜敤浜庣閬撶┛榪囧澹佷箣澶勫彈鏈夋尟鍔ㄦ垨鏈変弗瀵嗛槻姘磋姹傜殑鏋勭瓚鐗?鐢ㄤ簬鍑忛渿闇瑕佺殑綆¤礬銆傛煍鎬ч槻姘村綆′富瑕佺敤鍦ㄤ漢闃插錛屾按姹犵瓑瑕佹眰寰堥珮鐨勫湴鏂廣傚畨瑁呭畬姣曞悗鍏佽鍙樺艦銆傛煍鎬ч槻姘村綆¢櫎浜嗗閮ㄧ考鐜紝鍐呴儴榪樻湁鎸″湀錛屾硶鍏板唴涓濄傚垰鎬ч槻姘村綆℃槸閽㈢澶栧姞緲肩幆(閽㈡澘鍋氱殑鐜艦濂楀湪閽㈢涓?瑁呬簬澧欏唴錛堝涓烘販鍑濆湡澧欙級銆?/p>
鏍囩錛?/strong>瀵嗗皝 鏌旀?/a> 闃叉按 濂楃
浜у搧涓績
PRODUCT CENTER
鑱旂郴鎴戜滑
Contact us
宸╀箟甯傛柊鍗庝赴綆¢亾璁懼鏈夐檺鍏徃
鍥恒璇濓細0371-64033589
鎵嬨鏈猴細18638168566銆13783416000
銆銆銆銆13683712868 13838577194
鑱旂郴浜猴細鐜嬪厛鐢?欖忓コ澹?/p>
Q Q錛?622356298
鏃恒鏃猴細gyhuafeng
寰淇★細wei13683712868
緗戙鍧錛歨ttp://www.169kongjian.cn/
鍦般鍧錛氭渤鍗楃渷宸╀箟甯傝タ鏉戝紑鍙戝尯姘稿畨璺崡孌?11鍙?/p>
- 浜у搧浠嬬粛
- 閫傜敤鑼冨洿
- CAD鍥劇焊
- 鎶鏈弬鏁?
銆銆鍙屽瘑灝佹煍鎬ч槻姘村綆′竴鑸傜敤浜庣閬撶┛榪囧澹佷箣澶勫彈鏈夋尟鍔ㄦ垨鏈変弗瀵嗛槻姘磋姹傜殑鏋勭瓚鐗?鐢ㄤ簬鍑忛渿闇瑕佺殑綆¤礬銆傛煍鎬ч槻姘村綆′富瑕佺敤鍦ㄤ漢闃插錛屾按姹犵瓑瑕佹眰寰堥珮鐨勫湴鏂廣傚畨瑁呭畬姣曞悗鍏佽鍙樺艦銆傛煍鎬ч槻姘村綆¢櫎浜嗗閮ㄧ考鐜紝鍐呴儴榪樻湁鎸″湀錛屾硶鍏板唴涓濄傚垰鎬ч槻姘村綆℃槸閽㈢澶栧姞緲肩幆(閽㈡澘鍋氱殑鐜艦濂楀湪閽㈢涓?瑁呬簬澧欏唴錛堝涓烘販鍑濆湡澧欙級銆?/p>
鍙屽瘑灝佹煍鎬ч槻姘村綆¤鏄庯細
銆銆1銆佹煍鎬у~鏂欐潗鏂欙細娌ラ潚楹諱笣銆佽仛鑻箼紼鏉褲佽仛姘箼紼娉℃搏濉戞枡鏉褲?/p>
銆銆2銆佸瘑灝佽啅銆佽仛紜瘑灝佽啅銆佽仛姘ㄨ剛瀵嗗皝鑶忋?/p>
銆銆3銆佸綆$┛澧欏濡傞亣闈炴販鍑濆湡澧欐椂錛屽簲灞閮ㄦ敼鐢ㄦ販鍑濆湡澧欏錛屽叾嫻囨敞鑼冨洿搴旀瘮緲肩幆鐩村緞澶?00mm,鑰屼笖蹇呴』灝嗗綆′竴嬈℃祰鍥轟簬澧欏唴銆?/p>
銆銆4銆佺┛綆″娣峰嚌鍦熷鍘氬皬浜?00錛屽惁鍒欏簲浣垮澹佷竴杈瑰姞鍘氭垨涓よ竟鍔犲帤銆傚姞鍘氶儴鍒嗙殑鐩村緞鑷沖皯姣旂考鐜洿寰勫ぇ200mm.
銆銆5銆佸綆$殑閲嶉噺L=300璁$畻錛屽澧欏帤澶т簬300鏃訛紝搴斿彟琛岃綆椼?/p>
銆銆6銆佹煍鎬ч槻姘村綆″彲鏍規嵁鐢ㄦ埛闇瑕佸埗浣淪312鎴栬匰404鏍囧噯錛岃璐ф椂璇鋒敞鏄庣澶栧緞鍙婇傜敤澧欏帤銆?/p>

宸╀箟甯傛柊鍗庝赴綆¢亾璁懼鏈夐檺鍏徃
涓繪墦浜у搧錛氳ˉ鍋垮櫒銆佸絳掕ˉ鍋垮櫒銆佺悆褰㈣ˉ鍋垮櫒銆佹棤鎺ㄥ姏琛ュ伩鍣ㄣ佹棆杞ˉ鍋垮櫒
鐢佃瘽: 0371-64033589
鎵嬫満: 13683712868,18638168566,13783416000,13838577194銆鑱旂郴浜? 鐜嬪厛鐢?欖忓コ澹?br/>鍏徃鍦板潃: 娌沖崡鐪佸琺涔夊競瑗挎潙寮鍙戝尯姘稿畨璺崡孌?11鍙楓閭斂緙栫爜: 451200
鏈綉绔欐敮鎸佹柊騫垮憡娉曪紝涓轟笉褰卞搷瀹㈡埛嫻忚錛岄〉闈㈠尯鍩熺敤璇嶆鍦ㄦ帓鏌ヤ慨鏀癸紝鏈簵鎵鏈夐〉闈?鍖栫敤璇嶅拰鍔熻兘鎬х敤璇嶅湪姝ゅ0鏄庡墠鍏ㄩ儴澶辨晥錛屼笉鎺ュ彈涓嶅Ε鍗忎換浣曞艦寮忕殑*鍖栫敤璇嶅拰鍔熻兘鎬х敤璇嶈禂浠橈紝甯屾湜鍚勪綅娑堣垂鑰呯悊瑙o紝鑱屼笟鎵撳亣浜洪珮鎶吹鎵嬨?/span>

