浜у搧涓績
PRODUCT CENTER
鑱旂郴鎴戜滑
Contact us
宸╀箟甯傛柊鍗庝赴綆¢亾璁懼鏈夐檺鍏徃
鍥恒璇濓細0371-64033589
鎵嬨鏈猴細18638168566銆13783416000
銆銆銆銆13683712868 13838577194
鑱旂郴浜猴細鐜嬪厛鐢?欖忓コ澹?/p>
Q Q錛?622356298
鏃恒鏃猴細gyhuafeng
寰淇★細wei13683712868
緗戙鍧錛歨ttp://www.169kongjian.cn/
鍦般鍧錛氭渤鍗楃渷宸╀箟甯傝タ鏉戝紑鍙戝尯姘稿畨璺崡孌?11鍙?/p>
- 浜у搧浠嬬粛
- 閫傜敤鑼冨洿
- CAD鍥劇焊
- 鎶鏈弬鏁?
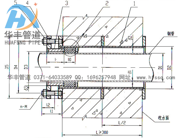
銆銆鏌旀ч槻姘村綆′竴鑸傜敤浜庣閬撶┛榪囧澹佷箣澶勫彈鏈夋尟鍔ㄦ垨鏈変弗瀵嗛槻姘磋姹傜殑鏋勭瓚鐗?鐢ㄤ簬鍑忛渿闇瑕佺殑綆¤礬銆傛煍鎬ч槻姘村綆′富瑕佺敤鍦ㄤ漢闃插錛屾按姹犵瓑瑕佹眰寰堥珮鐨勫湴鏂廣傚畨瑁呭畬姣曞悗鍏佽鍙樺艦銆?/p>
S312鍨嬫煍鎬ч槻姘村綆¤鏄庯細
銆銆1 銆佹湰鍥懼昂瀵稿潎浠ユ綾蟲潵璁°?/p>
銆銆2 銆丼312鍨嬫煍鎬ч槻姘村綆′竴鑸傜敤浜庣閬撶┛榪囧澹佷箣澶勫彈鏈夋尟鍔ㄦ垨鏈変弗瀵嗛槻姘磋姹傜殑鏋勭瓚鐗┿?/p>
銆銆3 銆佸綆¢儴鍒嗗姞宸ュ畬鎴愬悗錛屽湪鍏跺澹佸潎鍒峰簳婕嗕竴閬嶏紙搴曟紗鍖呮嫭妯熶腹鎴栧喎搴曞瓙娌癸級銆傚灞傞槻鑵愮敱璁捐鍐沖畾銆?/p>
銆銆4 銆佸綆$┛澧欏涔嬪澹侊紝濡傞亣闈炴販鍑濆湡澧欏鏃跺簲鏀圭敤娣峰嚌鍦熷澹侊紝鍏舵祰娉ㄦ販鍑濆湡鑼冨洿搴旀瘮緲肩幆鐩村緞錛圖6 錛夊ぇ200mm 錛岃屼笖蹇呴』灝嗗綆℃祰鍥轟笌澧欏唴銆?/p>
銆銆5 銆佺┛綆″涔嬫販鍑濆湡澧欏帤搴斾笉灝忎簬300mm 鍚﹀垯搴斾嬌澧欏涓杈瑰姞鍘氭垨涓よ竟鍔犲帤銆傚姞鍘氶儴鍒嗙殑鐩村緞*灝忓簲姣旂考鐜洿寰勶紙D6 錛夊ぇ200mm 銆?/p>
銆銆6 銆佸綆$殑鏉愭枡閲嶉噺鏄寜澧欏帤L 鍊間負300mm 璁$畻錛屽澧欏帤澶т簬300mm 搴斿彟琛岃綆椼?/p>

宸╀箟甯傛柊鍗庝赴綆¢亾璁懼鏈夐檺鍏徃
涓繪墦浜у搧錛氳ˉ鍋垮櫒銆佸絳掕ˉ鍋垮櫒銆佺悆褰㈣ˉ鍋垮櫒銆佹棤鎺ㄥ姏琛ュ伩鍣ㄣ佹棆杞ˉ鍋垮櫒
鐢佃瘽: 0371-64033589
鎵嬫満: 13683712868,18638168566,13783416000,13838577194銆鑱旂郴浜? 鐜嬪厛鐢?欖忓コ澹?br/>鍏徃鍦板潃: 娌沖崡鐪佸琺涔夊競瑗挎潙寮鍙戝尯姘稿畨璺崡孌?11鍙楓閭斂緙栫爜: 451200
鏈綉绔欐敮鎸佹柊騫垮憡娉曪紝涓轟笉褰卞搷瀹㈡埛嫻忚錛岄〉闈㈠尯鍩熺敤璇嶆鍦ㄦ帓鏌ヤ慨鏀癸紝鏈簵鎵鏈夐〉闈?鍖栫敤璇嶅拰鍔熻兘鎬х敤璇嶅湪姝ゅ0鏄庡墠鍏ㄩ儴澶辨晥錛屼笉鎺ュ彈涓嶅Ε鍗忎換浣曞艦寮忕殑*鍖栫敤璇嶅拰鍔熻兘鎬х敤璇嶈禂浠橈紝甯屾湜鍚勪綅娑堣垂鑰呯悊瑙o紝鑱屼笟鎵撳亣浜洪珮鎶吹鎵嬨?/span>

